股票杠杆开户网站-华为手机炒股软件显示问题-【东方资本】,股票配资额度,股票个人怎么开户,线上配资哪个app比较好一点

Welcome to the official website of goalkeeper technology group.

Guangdong Shoumenshen Technology Group Co., Ltd.

Security inspection equipment Solution provider
National Service Hotline 400-8353-880

Hot search:

Security check
Somens home pageNews> Industry news

How to deal with car collisions? Anti-terrorism anti-collision artifact: anti-collision lifting column, intelligent anti-terrorism overturning roadblock machine dissatisfied with the battle

Source of the article: Guangdong Shoumenshen Technology Group Co., Ltd. Popularity:1883 Publication time:2018-08-29 15:05:59 small middle big

On Tuesday (October 31), a truck crash occurred in Manhattan, and six people were declared dead. Two others were declared dead in the hospital. Eleven of them were taken to hospital. serious. The location of the incident occurred between Manhattan's Lower West Street and Chambers Street, close to the World Trade Center, the National September 11 Memorial Museum and a high school. On the day of the Halloween, the starting point of the New York Halloween Parade is only about 1 km away from the incident.




Truck attacks on high-dense people have been frequent in recent years, and the news of the tragedy continues:

On October 25, 2009, two suicide car bomb attacks were hit in downtown Baghdad, Iraq. The local Ministry of Justice and the provincial government buildings were seriously damaged. At least 160 people were killed and more than 500 were injured.

On September 9, 2010, the central market of the capital of the Republic of Ossetia in southern Russia was hit by a car bomb, killing 17 people and injuring 133 people;

On January 1, 2011, a car bomb attacked a Christian church in the northern city of Alexandria, killing at least 21 people and killing 79 people. On July 2, 2017, a suicide car bomb exploded in the Liberation Square in the eastern part of Damascus. At least 20 people were killed and 30 injured;

On 15 August 2013, a car bomb placed in Beirut, Lebanon, exploded and killed 27 people, injuring more than 200 people.

On August 13, 2015, a terrorist attack launched by the Islamic State and targeted at Shiite militants occurred. A car bomb exploded in a wholesale market, killing 76 people and injuring 212 people.

On December 18, 2016, a car bomb attacked on Saturday in the south-central city of Kayseri, killing 13 soldiers and injuring 56 others.

On May 31, 2017, a car bomb attack occurred in the Wakir Akbar Khan district of Kabul. The incident was close to the main entrance of the German Embassy. There were other embassies and government departments nearby, with more than 90 deaths and more than 400 injured.

In general, the intention of terrorists to carry out vehicle collisions is to kill civilians as much as possible to attract media attention and create panic and sensational effects. Intensive venues such as shops, plazas, protest demonstrations, etc. are very vulnerable to terrorist attacks. In relatively closed places such as bridges and markets, people often have nowhere to hide when they encounter vehicle collisions, and they are more likely to be the focus of terrorist attacks. Two terrorist attacks that occurred before London this year, terrorists attacked pedestrians on the bridge and ordinary people in the market near the bridge.

At present, responding to terrorist attacks is still a world problem. Methods for protecting buildings or mitigating car bomb damage are mainly divided into two categories: structural anti-riot reinforcement design (such as fixed isolation columns or guardrails) and vehicle access control systems (such as electric gear levers). ). No matter which kind, the strength is not necessarily enough, once installed, it cannot be withdrawn or requires human and material resources to maintain its opening or closing. Especially in public areas where vehicles often pass, setting up roadblocks is also one of the causes of traffic congestion.




Figure 1 with a barbed wire (Source: Metropolitan Police)


The British police introduced a stud net made of tungsten steel to specifically deal with car attacks. If the car travels to the nailing net, the stud will quickly smash the car tires, causing the car to entangle with the stud net to achieve the effect of restraining the vehicle to move forward in a short time. The device also allows the vehicle to travel straight in a straight line before stopping, minimizing casualties. However, it has to be resettled or withdrawn at any time. It is time-consuming and labor-intensive. It is generally used in special situations and cannot be laid all the time.



Figure 2. Anti-collision bar (Source:コーエイ工業)


In some Western countries and Japan, some companies have developed a kind of anti-collision column that can quickly block high-speed cars. The resistance is extraordinary. The car hits the railing and directly falls apart. The faster the speed, the more serious the damage. Even in the face of the impact of large trucks, there is no pressure. This automatic lifting anti-collision column system will not completely block the main passage of the building, but also effectively protect the building or crowd area from car attacks. Moreover, the style is changeable, and it adapts to the surrounding environment. It can be used with the surrounding architectural style. Because it can be automatically lifted and lowered, it can guarantee the passage of specific vehicles. It is a good protective tool in today's frequent terrorist attacks.



Figure 3 Anti-terrorism column (Source:コーエイ工業)


This is specially developed for the defense of terrorist attacks in various countries around the world. It is only a hollow steel column with a diameter of no more than 40cm, but it can block high-speed cars or trucks. At first glance, the cylinders in the above picture are nothing special. What is the structure of the structure? Let's take a closer look at how the functions of these columns are realized. What is the production principle?


1 Place of resettlement
The anti-collision bar is an automatic lifting and horizontally reinforcing railing. The material is generally structural steel, hollow cylinder with a diameter of 200 to 300 mm and a thickness of about 3-6 mm. Placed in public places such as pedestrian streets, airports, seaports, high-rise buildings, shopping centers, grand theaters, sports fields, government agencies, schools, parks, etc., they are stored below the ground when not in use, and rise above the ground when there is an emergency. Startup is usually completed in 3-5 seconds, if you join the emergency quick start control can be completed in 2 seconds. The anti-collision bar produced by コーエイ industrial can block vehicles with a weight of about 7500kg and a speed of 80km/h. Its newly designed products can achieve "shallow installation" - only need to be placed in the underground 0.3m, after the protection starts, the height of the ground can reach 0.8-1.1m.



Figure 4 (up and down) automatic lifting bumper railing (Source:コーエイ工業)


2 Materials and structures (not as simple as the surface looks!)
The anti-collision column system includes a steel cylinder body, a connecting base, an outer sleeve body and an outer sleeve cover plate.



Figure 5 Overall structural elevation of the pit body (Source: Patent CN103510480 B)


The steel cylinder of the core part of the anti-collision column system is generally made of Q345 low-alloy steel, which can be used for the manufacture of bridges, vehicles, ships, buildings, pressure vessels and special equipment. Q represents the yield strength, and 345 indicates that the yield strength of the steel is 345 MPa. The height is about 1m, and the lower part is connected to the base, which is generally a rectangular steel plate of no more than 1 square meter. The wall thickness of the steel pipe is generally 3-6 mm. Connected to the base, it can transmit the impact of the car well. High-strength load-bearing and anti-collision capability; no power supply design in the column, waterproof and safe. The outer sleeve and the cover plate are also generally made of Q345 low alloy steel.



Figure 6 Construction diagram of the anti-collision column (Source: Patent CN103510480 B)


Protective outer sleeve: This sleeve is placed on the outer periphery of the steel tube anti-collision column. It is generally rectangular in shape and buried in the ground. The purpose of the design is to protect the anti-collision column.


Figure 7 Schematic diagram of the outer sleeve part (Source: Patent CN103510480 B)


Stiffener: It includes a lateral stiffener and a longitudinal stiffener. The principle is very simple. We know that in the cold winter in the north, the radiator is indispensable. The unique shape is to transfer heat in order to increase the area in contact with the air. The stiffener increases the contact area with the foundation and increases the friction to achieve a stiffening effect.


Lifting device: This is a bright spot of this product. It is raised when it is used. It is underground when it is not used. It is currently hydraulically controlled. The latest products are electrically controlled. The control is getting faster and faster. Spectrum.

Pit body: To say white is to dig a pit and put the entire anti-collision column system into it.

When using this system, firstly weld the longitudinal and transverse stiffening plates and the outer sleeve together, and then weld the lifting rails to the outer sleeve; connect the lifting jacking portion to the steel cylinder base to dig a pit of sufficient size. Put the outer sleeve in the pit for simple fixing. Then, the concrete is poured into the pit, and then the steel cylinder is placed in the outer sleeve, and finally the outer sleeve cover is covered, and the outer sleeve is well connected by the connecting bolt.

The self-lifting anti-collision column can be automatically lifted and lowered by a remote control device in a short time. When the steel cylinder is completely lowered, the road surface is unobstructed, and after the anti-collision column is raised, the vehicle is blocked, the steel cylinder base and the outer portion. The sleeves are all underground, and the impact force and bending moment of the central cylinder are transmitted to the foundation by force transmission.

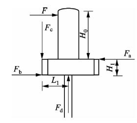
3 How to prevent collision?
The steel pipe anti-collision column is of course the core component of the whole system. It is subject to the horizontal impact force and bending moment of the car. It will receive two binding forces on both sides of the horizontal base and balance the horizontal impact force of the car. In order to prevent the movement of the steel cylinder base, the outer sleeve cover plate has a downward pressure on the base, and the corresponding lifting device has an upward supporting force on the base, and the two forces are balanced. The horizontal pressure of the side wall of the anti-collision column is balanced with the horizontal pressure of the side wall of the outer sleeve, and another small part of the bending moment passes through the vertical mutual pressure of the anti-collision column base and the outer sleeve cover, the cylinder and the outer sleeve The vertical mutual pressure of the cover plate is balanced. In the upper part of the base, the moment generated by the horizontal restraining force and the moment generated by the vertical restraining force can resist the bending moment generated by the impact force of the automobile.



To put it simply, two ways of transmitting force can transmit the impact force of the car to the foundation. The special structure can reduce the local concentration of the system, and the equalization force on multiple planes prevents the material from failing and safety. greatly increase.


Figure 8 (upper and lower) Force analysis (Source: Journal of Southeast University)



Research scholars in related fields certainly need to analyze and judge the rationality of this structure. Software such as LS-DYNA can analyze multi-rigid body dynamics problems. With this kind of software, technical support is obtained, and related companies develop products, and the safety performance of products can be ensured through experiments. The United States and the United Kingdom issued quality standards for car barriers in 2003 and 2007, respectively. If the simulation or test results can meet the relevant standards, they can be put into R&D and production. In the numerical model, the analysis results can be predicted by modeling calculations using the anti-collision column system, surrounding concrete, surrounding common foundation, road surface, and vehicle momentum.






Figure 9 (upper and lower) force analysis simulation model (source:Journal of Structural Engineeri)



Figure 10 Simulation model of automobile impact analysis (Source is the same as Figure 9)


4 The recoil of “broken paper”
When the anti-collision column system is put into use, it is buried underground according to the operating rules. The first bright spot function is automatic lifting.


In government agencies, warehouses, etc., electric, remote control or credit card control can be used to prevent external vehicles from entering and illegal vehicles. When installing lift barriers at pedestrian crossings, road barriers are usually raised, restricting vehicles in and out, in case of emergency or Special circumstances (such as fire, first aid, etc.) can quickly lower the roadblock for vehicle traffic; it can also be used as a road isolation belt: in the non-fully enclosed road isolation belt, a lifting road barrier can be used to prevent the vehicle from turning left or turning around. In case of special conditions such as road construction and road blockage, roadblocks can be lowered to allow vehicles to be diverted.

The second most important highlight is the anti-terrorism! In public places, it usually exists underground, does not affect the passage, and when there is a sudden attack, you can manually raise the protection quickly. The system uses an electric motor to drive the air compressor, which can automatically lift and lower with a rising speed of 1.8 seconds and a descending speed of 1.4 seconds. When it rises, it can completely resist the collision of a truck with a speed of 80 kilometers per hour. The rebound force is enough to make the car directly scrapped. From the test provided by the manufacturer, it can be seen that the car hits the steel column, and the truck with the speed of 80 kilometers per hour is rushed to the anti-collision column. At the moment of impact, the entire front and the body are squeezed together like paper. The shell parts are sprayed around, the body is almost broken and destroyed, and the collision column is almost harmless.

At present, in addition to the US State Department, the Japanese embassy, airport, power plant and other important facilities are also equipped to automatically lift the anti-collision column to ensure public safety. In the face of such a frequent terrorist attack in recent years, Japan, which has a "high social security level", has to consider these issues, especially the 2020 Olympic Games in Tokyo, where the population density is high, and the Kanto Circle will welcome Come to the peak of population density! I believe that this "anti-terrorism artifact" will also become more and more concerned.